Mehr zu ESP32 (251)

Time Sink Studio Hackster.io DRV8825 kinetic art

| Das Living-Mirror-Light-Display ist ein kinetisches „Display“, das Reflexionen statt Lichtemission nutzt und mithilfe eines ESP32-gesteuerte...

| Dieser ESP32-Drohnenleitfaden zeigt, wie Sie mit der esp-fc-Firmware einen ESP32-Flight-Controller in Betaflight konfigurieren und mit einer...

| Ein CRT-Testmuster-Generator auf Basis eines ESP32-Boards ermöglicht es, ältere Fernseher schnell zu überprüfen, ohne eine Konsole oder ande...

| Die Bosch-Espressif-Kooperation treibt zwei ESP32-C5-basierte Hardware-Plattformen voran, die auf die Beschleunigung von Multi-Sensor-Protot...

| Das LoRaWAN-Gateway-Setup ist einfacher, als es aussieht: Dieses Video führt Sie durch die Registrierung eines Gateways, das Anbinden eines...

| Elektor-Review 2025: Ein Blick zurück auf ein Jahr voller Projekte und Artikel, die von einer heute unmodischen Annahme ausgingen: dass sie...

Nur für Mitglieder

| Bereit, Ihrem ESP32-Energiezähler KI hinzuzufügen? In diesem Projekt erfahren Sie, wie Sie Daten aus Home Assistant und Python-Labeling-Scri...

| Wandeln Sie Neugier in Kompetenz: Der Kurs „ESP32 by Example“ vermittelt Ihnen – gemeinsam mit dem ESP32-by-Example-Kit (EEK) und der Anleit...

| ESP-DIVE ist ein selbstgebautes RC-U-Boot auf Basis des ESP32 mit FPV-Kamera, Live-Videoübertragung und einstellbarem Auftrieb. Dieses per W...

Nur für Mitglieder

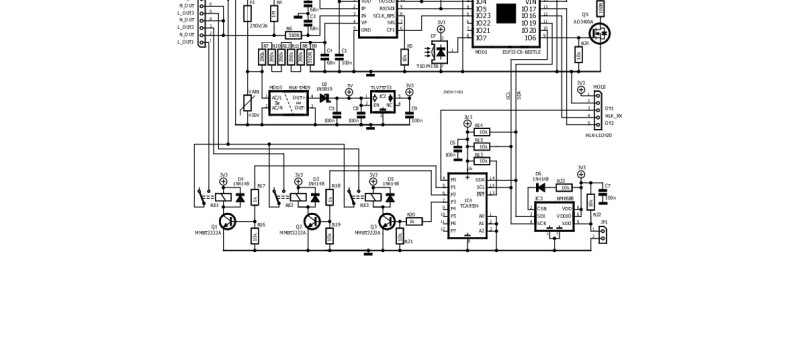
| Im zweiten Teil dieser Serie haben wir die digitale Funkübertragung von Audiosignalen umgesetzt, allerdings war die Datenrate des Prototyps...

  • Social Media

UNSER UNIVERSUM
elektor elektor elektor eenews