Kabellose Geräteversorgung mit induktiver Technologie
über
Eine Lampe betreiben oder einen Becher wärmen – ganz ohne Kabel. In diesem Projekt übertragen wir 20 W Leistung durch eine 5 cm dicke Tischplatte, um eine 20-W-LED-Lampe zum Leuchten zu bringen. Durch die Abstimmung von Sende- und Empfangsspule auf eine Resonanzfrequenz von 50 kHz sowie den Einsatz eines mikrocontrollergesteuerten Oszillators, einer MOSFET-Leistungsstufe und eines gleichgerichteten Empfängers wird eine helle Beleuchtung erreicht. Dieses Experiment liefert einen eindrucksvollen Machbarkeitsnachweis für drahtlose Tischbeleuchtung und vermittelt wertvolle Erkenntnisse über Spulengeometrie, Schaltungsdesign und praktische Grenzen. Potenzielle Anwendungen reichen von Beleuchtungslösungen bis hin zu Alltagsgegenständen wie beheizten Kaffeetassen
Kabellose Beleuchtung mit elektromagnetischer Strahlung
Dieses Projekt demonstriert ein drahtloses Beleuchtungssystem mit induktiver Stromversorgung. Es überträgt 20 W zwischen Sende- und Empfangsspule durch einen 50 mm dicken Tisch und versorgt eine 20-W-LED-Lampe. Das Projekt definiert Standards und Designs für die elektromagnetische Kopplung in Sender- und Empfängerelementen mit dem Ziel, eine Lampe und eine beheizte Kaffeetasse drahtlos zu betreiben.
Dieser Prototyp verwendet drahtlose Energieübertragung (Wireless Power Transmission, WPT) auf Basis elektromagnetischer Resonanz, wie in Bild 1 dargestellt. Die Reichweite der WPT beträgt nur wenige Zentimeter, was eine erhebliche Hürde für die praktische Anwendung darstellt. Das analytische Modell eines drahtlosen Energieübertragungsschemas (WPT) kann mithilfe der „Coupled Mode Theory“ (CMT) formuliert werden.
Ein hoher Gütefaktor bedeutet hier eine geringe Energiedämpfung im Verhältnis zur erzeugten Energie. Der Gütefaktor ist ein wichtiger Parameter, der die Eigenschaften sowohl des (Rechtecksignal-)Generators als auch des Resonators beschreibt und die Bandbreite eines Resonators im Verhältnis zu seiner Mittenfrequenz (50 kHz) charakterisiert.
Entwicklungsprozess
Zunächst wurden zwei Spulen (Rx, Tx) mit jeweils 25 Windungen isolierten Kupferdrahts und einem Innendurchmesser von 25 mm erstellt. Jede Spule besitzt einen Innenwiderstand R und eine Induktivität L, und beide Spulen sind auf die gleiche Frequenz abgestimmt. Wie in Bild 2 gezeigt, funktioniert die magnetische Resonanzkopplung ähnlich wie die induktive Kopplung, mit dem Unterschied, dass die Resonanz die Entfernung vergrößert, über die Energie effizient übertragen werden kann.
Ein Kondensator wurde parallel zu jeder Spule geschaltet. Eine Rechteckoszillatorschaltung ist mit der Sendespule verbunden, während die Leistungsverstärkerstufe induktiv mit der Lastspule gekoppelt ist. Die Lastspule (Tx) wurde auf die gleiche Resonanzfrequenz abgestimmt und empfängt Energie über das von der Sendespule (Rx) erzeugte Magnetfeld, wie in Bild 3 gezeigt.
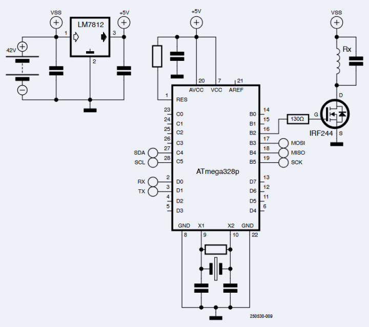
Sendeschaltung
Nach dem Aufbau der Sendespule (Rx) mit 20 Windungen Draht (0,5 mm) entwarfen und simulierten wir eine Rechteckoszillatorschaltung. Es gibt viele Möglichkeiten, ein Rechtecksignal zu erzeugen. Nach Forschung und Tests wählten wir den Mikrochip ATmega328P. Das Schaltbild des Signalgebers ist in Bild 4 dargestellt. Dieses Gerät umfasst eine Spannungsversorgung, eine programmierbare Schaltung und einen Gleichstromfilter. Unser Ziel war es, eine 50-kHz-Schwingung mit einem Tastverhältnis von 50 % zu erzeugen. Da die Ausgangsleistung nicht ausreichte, um genügend Energie über eine Strecke von 5 cm (Dicke des Tisches) zu übertragen, fügten wir unserer Sendeschaltung eine Leistungsstufe hinzu.
Schaltverstärker für mehr Leistung
LEDs benötigen mehr Leistung, als der Rechtecksignal-Generator bereitstellt. Wir untersuchten verschiedene Topologien, um die Leistungsübertragung in diesem Prototyp zu erhöhen. Ein Leistungsverstärker verstärkt die Ausgangsspannung und die elektromagnetische Strahlung, aber die Temperatur der Schaltung muss innerhalb sicherer Grenzen gehalten werden.
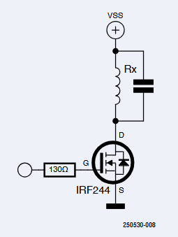
Wir entschieden uns für einen IRF244-MOSFET, um die Sendespule anzusteuern (Bild 5). Dem Datenblatt entnahmen wir, dass der IRF244 für 49 A ausgelegt ist, was innerhalb sicherer Grenzen liegt. Der IRF244 wird mit einem Rechtecksignal von etwa 55 kHz und einem Tastverhältnis von 50 % angesteuert. Dieses Schaltung wird mit einer 42-V-Gleichstromversorgung (VSS = 42 V) betrieben, um die Sendespule über den Leistungsverstärkertransistor anzusteuern.
Bild 6 zeigt das elektronische Schaltbild des Sendebereichs. Ein Spannungsregler wurde hinzugefügt, um die Spannung für den Oszillator auf 12 V Gleichstrom zu reduzieren. Nach Fertigstellung des Schaltplans und Beschaffung der Bauteile wurde das System aufgebaut, bestehend aus dem Leistungsverstärker und der Sendespule. Eine Erhöhung der Spannung in der Leistungsstufe vergrößert auch die Reichweite der drahtlosen Energieübertragung.
Empfängerschaltung
Die mit der LED-Lampe verbundene Empfangsschaltung umfasst eine Lastspule mit einem angeschlossenen Kondensator, eine Gleichrichterschaltung und einen Gleichstromfilter zum Empfang der Energie. Ein Gleichrichter ist eine Schaltung, die Wechselstrom (AC) in Gleichstrom (DC) umwandelt. Das Schaltbild und der angefertigte Prototyp sind in Bild 7 dargestellt.
Testsystem und Implementierung
Das Ziel war es, die Lampe drahtlos und ohne Kabel zum Leuchten zu bringen. Wir testeten die Energieübertragungseffizienz über eine feste Entfernung von 5 cm, also die Dicke des Tisches. Wir überprüften, ob die Baugruppe genügend Energie erhielt, um die Lampe direkt zu betreiben. Die Tischlampe sollte sich an der gleichen Position wie die TX-Spule befinden, die an der Unterseite der Tischplatte befestigt ist. Um die Effizienz der drahtlosen Energieübertragung zu maximieren, ist es am besten, die Lampe an einem bestimmten Punkt auf dem Tisch zu platzieren. Das Licht muss sehr hell sein, um eine effektive Energieübertragung anzuzeigen.
Mit demselben System konnten wir die Lampe schwächer leuchten lassen, wenn sie von der optimalen Position entfernt wurde. Die Lampe funktioniert nur dann ordnungsgemäß, wenn Sender und Empfänger parallel ausgerichtet und genau an der richtigen Stelle des Tisches positioniert sind. Auch wenn dies im Bild nicht gezeigt wird, erlischt die Lampe, wenn der Empfänger zu weit vom Sender entfernt ist, da er außerhalb des wirksamen Bereichs der elektromagnetischen Strahlung liegt. Um eine hohe Energieübertragungseffizienz sicherzustellen, muss die kompatible Tischlampenspule mit den Magnetspulen, die an der Unterseite des Tisches befestigt sind, ausgerichtet werden (siehe Bild 8).
Erwärmen einer Kaffeetasse
Bild 9 zeigt ein drahtloses Energiesystem, das eine Kaffeetasse erwärmt. Eine Sendespule ist in den Schreibtisch eingebaut, und die Kaffeetasse enthält eine Empfangsspule (Bild 10). Die Sendeschaltung (in Bild 5 gezeigt) ist dieselbe wie die für die Lampe verwendete. Die Sendespule ist mit einem Hochfrequenz-Signalgeber verbunden, der sich unter dem Tisch befindet.
Das System funktioniert, wenn Sende- und Empfangsspule für die induktive Energieübertragung korrekt parallel ausgerichtet sind. Jegliche seitliche Verschiebung oder Winkelverdrehung des elektromagnetischen Feldes kann zu schlechter Energieübertragung, Energieverlust oder Störungen bei anderen in der Nähe befindlichen Geräten oder Systemen führen. Das Maß der Belastung und das Risiko von Verlusten oder Spulenfehlstellungen hängen von Faktoren wie Frequenz, Intensität, Dauer und Abstand zwischen den Spulen des induktiven drahtlosen Energieübertragungssystems ab.
Dieses Projekt zeigt das Potenzial der resonanten induktiven Kopplung für drahtlose Energie. Vom Betreiben einer Lampe bis zum Erwärmen einer Tasse verdeutlicht es sowohl die Chancen als auch die Herausforderungen, drahtlose Energie in den Alltag zu bringen.
Anmerkung der Redaktion: Dieser Artikel (250530-01) erscheint in Elektor Nov/Dez 2025.
Fragen oder Kommentare?
Wenn Sie technische Fragen oder Anmerkungen zu diesem Artikel haben, nehmen Sie bitte Kontakt mit der Elektor-Redaktion unter redaktion@elektor.de.

Diskussion (15 Kommentare)