Messen & Testen

Aktuelle Nachrichten

Multimeter & Sensoren



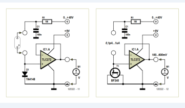
Milliohm-Messung mit einem Multimeter

Preiswerte Multimeter sind in der Regel nicht in der Lage, im Milliohm-Bereich zu messen und spezielle Geräte für diesen Zweck können sehr teuer sein. Mit einer einfachen Schaltung, die im Folgenden beschrieben wird, können jedoch Milliohmmessungen mit einem Standardmultimeter sicher durchgeführt werden. Diese Schaltung besteht in erster Linie aus einem 6-V-Spannungsregler und einem Netzadapter, der bei einer Spannung von 9 bis 12 V etwa 300 mA liefern kann.

Gratis-Download


Reparatur elektronischer Geräte: Werkzeuge, Techniken und Tipps

Möchten Sie die Kosten senken und die Lebensdauer Ihrer elektronischen Geräte verlängern? Nehmen Sie die Dinge selbst in die Hand und reparieren Sie Ihre Werkzeuge und Geräte! Dieser umfassende Leitfaden deckt alles ab, von der Beherrschung grundlegender Werkzeuge bis hin zur Identifizierung gängiger Bauteilfehler. So können Sie Reparaturen selbstbewusst angehen und die Langlebigkeit Ihrer Geräte erhöhen.

Artikel herunterladen


Siglent SDM3045X Multimeter

Ein Handmultimeter ist immer praktisch, wenn man es zur Hand hat. Aber ein Tischmultimeter kann einen echten Unterschied ausmachen. In diesem Artikel testet der bekannte YouTuber Philippe Demerliac das Tischmultimeter SDM3045X von Siglent. Das Gerät verhält sich wie ein einfaches Multimeter, bietet aber zusätzliche Funktionen, die sehr hilfreich sein können. Dazu gehören verschiedene Anzeigemodi, ein Statistikmodus, der den Mittelwert, das Minimum, das Maximum und die Standardabweichung von Messungen anzeigt, eine Doppelanzeige, eine integrierte Hilfe und vieles mehr.

Gratis-Download


Testbericht: Owon OW18E Bluetooth-Multimeter

Suchen Sie ein Multimeter, das Messdaten drahtlos an ein Smartphone oder Tablet übertragen kann? Das können Sie mit einem bluetoothfähigen Multimeter erreichen, das mit einer speziellen App gekoppelt ist. In diesem Artikel untersuchen wir die Leistung des Owon OW18E Bluetooth-Multimeters, das mit zahlreichen Merkmalen, Funktionen und einer beeindruckenden Genauigkeit aufwartet.

Artikel herunterladen

Screenshot 2024-05-17 at 16-45-30 Water Tank Level Control A Dual-Level Controller With Hysteresis.png
Tankfüllstandsregelung: ein zweistufiger Regler mit Hysterese

Ein Niveauregler für Brunnen und Wassertanks soll unter rauen Bedingungen arbeiten, insbesondere in Umgebungen, die für empfindliche Elektronik nicht immer geeignet sind. Der hier vorgeschlagene verdrahtete Logikregler ist einfach und robust. Außerdem ermöglicht er mit einem doppelten Schwimmer-System eine Art "hydraulische Hysterese"-Einstellung für das System.

Artikel online lesen

Oszilloskope & Analysatoren



Erste Schritte mit Ihrem Oszilloskop: Finden Sie Ihren Weg durch die Knöpfe und Tasten

Ein Oszilloskop ist ein unentbehrliches Werkzeug für professionelle Ingenieure und Elektroniker gleichermaßen. In diesem Artikel gehen wir unter anderem auf die folgenden Fragen ein: Was ist ein Oszilloskop? Wie benutzt man ein Oszilloskop? Wie wählt man ein Oszilloskop für seine Arbeitsumgebung aus, da es so viele Optionen auf dem Markt gibt?

Gratis-Download


THD-Messung mit einem Oszilloskop und FFT

Der Klirrfaktor (Total Harmonic Distortion, THD) ist ein wichtiger Indikator für den Oberwellengehalt von Signalen in Stromversorgungsnetzen und elektronischen Baugruppen, z. B. in Audioverstärkern. Zur Beurteilung des Klirrfaktors sind in der Regel spezielle Messgeräte erforderlich. Mit einem digitalen Oszilloskop, das über die Fähigkeit zur schnellen Fourier-Transformation (FFT) verfügt, ist die Berechnung des Klirrfaktors jedoch mit einigen mathematischen Berechnungen möglich. Schauen Sie genauer hin.

Artikel herunterladen


Mehrkanaliger Leistungsanalysator

Spannungs-, Leistungs- und Strommessungen an mit Wechselstrom betriebenen Geräten können kompliziert sein. Das hier vorgestellte Gerät misst und berechnet nicht nur Größen, sondern zeigt auch Wellenformen und Spektren von Wechselstromsignalen auf einem LCD an. Das Projekt umfasst eine Hauptplatine und bis zu drei Satellitenplatinen.

Artikel herunterladen
 


Raspberry Pi Pico als Spektralanalysator: FFTs auf preiswerter Hardware-Basis

Möchten Sie Ihren eigenen softwarebasierten Spektrumanalysator bauen? Mit ein wenig Know-how und einem Raspberry Pi Pico können Sie das. In diesem Artikel behandeln wir eine Basisversion mit einer 12-Bit-Auflösung und einer Abtastrate von 500 kS/s. Wie Sie sehen werden, können mit einem externen ADC sogar 50 MS/s erreicht werden! Der Spektrumanalysator bietet mehrere konfigurierbare Optionen. Im einfachsten Fall tastet der Mikrocontroller das Signal ab, berechnet das Spektrum, gibt es aus und wiederholt diesen Vorgang endlos.

Gratis-Download


Elektor Infografik: Test & Messung

Die Nachfrage nach elektronischen medizinischen Geräten zur Messung des Blutdrucks und des Zuckergehalts steigt. Die Größe des globalen Mikrocontroller-Marktes im Jahr 2023 wird voraussichtlich bis 2030 erreicht. Aufkommende Trends bei Test- und Messlösungen werden durch die steigende Nachfrage nach neuen Technologien in Verbrauchermärkten wie 5G, IoT und autonomen Fahrzeugen angetrieben. Es wird erwartet, dass das Oszilloskop-Segment deutlich wachsen wird. Zu den neuesten Trends gehören größere Vernetzungsmöglichkeiten, Präzision und Zuverlässigkeit der Instrumente.

Gratis-Download

Signalgeneratoren


Screenshot 2024-05-08 at 15-35-22 A Simple DDS Signal Generator DDS in Its Purest Form.png
Ein einfacher DDS-Signalgenerator: Direkte digitale Synthese in ihrer reinsten Form

In diesem DIY-Projekt lernen Sie die Grundlagen des Aufbaus eines benutzerdefinierten DDS-Signalgenerators (Direct Digital Synthesis) mit einem AD9851 kennen, von der Betriebstheorie über die Modifikation von Modulen bis hin zum praktischen Aufbau.

Artikel online lesen


Testbericht: Der Joy-iT JDS2915 Signalgenerator

Entdecken Sie den Signalgenerator JDS2915 in unserem ausführlichen Testbericht: ein robustes, vielseitiges Gerät im Aluminiumgehäuse mit umfangreichen Funktionen, darunter ein Zweikanal-Ausgang, eine breite Palette von Wellenformtypen und eine detaillierte Steuerung der Signalparameter, die alle über den PC für alle Arten von Anwendungen steuerbar sind.

Artikel online lesen


 

 



Abstimmbarer Röhren-Sinuswellengenerator

Mit dieser detaillierten Anleitung zum Bau eines vielseitigen, abstimmbaren Sinusgenerators nach dem Heterodyn-Prinzip können Sie die klassische Kunst des Baus elektronischer Geräte auf Röhrenbasis wiederentdecken. Sie eignet sich sowohl für Amateure als auch für erfahrene Konstrukteure, die die Essenz alter Audiofrequenzgeräte einfangen wollen.

Artikel online lesen


Einfacher Funktionsgenerator

Ein einzigartiger Ansatz wird in diesem einfachen Funktionsgenerator verwendet, einem innovativen Gerät, das den typischen Signalumwandlungsprozess umkehrt, um Sinus-, Dreieck- und Rechteckwellenformen mit variablen Frequenzen zu erzeugen, indem es clevere analoge Techniken verwendet.

Artikel herunterladen

RF & Mikrowellen




Schaltung: RF-Stufen-Dämpfer

Der praktische Entwurf eines DIY-HF-Stufenabschwächers, der eine clevere Konfiguration von kaskadierten Pi-Stufen verwendet, die jeweils über zweipolige Schalter wählbar sind und eine präzise inkrementelle Steuerung von Signalpegeln bis zu 200 MHz ermöglichen - ideal für Enthusiasten, die mit HF-Systemen arbeiten möchten.

Artikel online lesen



HF-Strommessungen leicht gemacht: Ein Oszilloskop-Stromwandler für HF

Stromwandler sind für die Messung von Netzstrom bekannt. Aber was ist mit höheren Frequenzen? Lesen Sie diesen ausführlichen Artikel über die Entwicklung von HF-Stromwandlern mit dieser detaillierten Anleitung, in der erklärt wird, wie man eine einfache, aber effektive Stromsonde konstruiert, die bis zu 50 A Spitzenstrom über einen breiten Frequenzbereich von 7 kHz bis zu einigen zehn MHz verarbeiten kann.

Artikel online lesen



Transverter für das 70-cm-Band

Ein nostalgisches Stück Amateurfunkgeschichte mit dem Elektor-Transverter für das 70-cm-Band aus dem Jahr 1981, einem Zeugnis aus der Zeit, als der Äther noch (größtenteils) frei von moderner zellularer Kommunikation war. Diese alte Schaltung ermöglichte es Enthusiasten, einen damals relativ unbesetzten Bereich des Spektrums zu erkunden.

Artikel herunterladen



Erste Erfahrungen mit dem HackRF One - ein Testbericht

Ein großartiger Bericht über den HackRF One, sowohl ein Empfänger als auch ein Sender bis zu 6 GHz. Dieser ausführliche Artikel behandelt alles von der anfänglichen Einrichtung und Fehlersuche bis hin zu fortgeschrittenen Anwendungen wie FM-Rundfunk, Kurzwellenempfang und mehr.

Artikel online lesen

Mehrzweckinstrumente




Elektor Multirechner-Bausatz

Sieht aus wie ein normaler Taschenrechner, ist aber weit mehr als das! Er kann Licht, Temperatur und Temperaturdifferenz messen, NEC IR-Fernbedienungscodes dekodieren und andere Aufgaben erfüllen. 22 Betriebsarten sind in diesem hochmodernen Projekt von Ton Giesberts und Ruud van der Meer enthalten.

Artikel online lesen



VirtualBench: Multifunktionales Messinstrument

Mit VirtualBench hat National Instruments ein völlig neuartiges Messgerät vorgestellt, das fünf Instrumente in einem kompakten Gehäuse vereint. Die Bedienung erfolgt vollständig über einen Computer oder ein Tablet. Elektor hat die Funktionalität in einem Bericht von Harry Baggen und Luc Lemmens untersucht.

Artikel herunterladen



JOY-iT LCR-T7 Multifunktionstester

Für die Prüfung von diskreten Bauteilen sind Multifunktionstester immer sehr nützlich, sowohl für passive als auch für aktive Teile. Manchmal sind die Werte oder Typennummern verschlissen, und bei diskreten Halbleitern mit unbekannten Typennummern möchten Sie vielleicht prüfen, um welche Art von Bauteil es sich handelt. Selbst wenn Sie das Teil visuell identifizieren können, möchten Sie vielleicht wissen, ob es noch funktioniert und ob es - bis zu einem gewissen Grad - seinen ursprünglichen Spezifikationen entspricht. Hier kommt ein Prüfgerät wie das JOY-iT LCR-T7 ins Spiel: ein schneller Test, um zu verstehen, mit welchem Bauteil wir es zu tun haben, oder zumindest um zu sehen, ob es das Teil ist, das wir wirklich brauchten oder nicht.

Artikel online lesen


LCR-Messgerät: Das UNI-T UT603 (Testbericht)

Werfen wir einen Blick auf das UT603 von UNI-T. Dieses tragbare Messgerät ermöglicht die Messung von Induktivität, Kapazität und Widerstand elektronischer Bauteile. In diesem Bericht von Jean-François Simon sehen wir alle Möglichkeiten dieses vielseitigen Geräts

Artikel online lesen

CAD-CAE & Simulations-SW




CAD für PCBs

Unter den vielen Ingenieuren und Herstellern, die sich mit Elektronik beschäftigen, gibt sich niemand damit zufrieden, sein Design auf der Breadboard-Phase zu belassen. Insbesondere bei SMD-Bauteilen oder relativ komplexen Schaltungen ist dies von entscheidender Bedeutung, und Prototyping-Boards sind nicht die ideale Lösung. Eine echte Leiterplatte ist in solchen Fällen ein Muss. Dafür braucht man eine geeignete Software und um die richtige Software zu wählen, braucht man Informationen. Leiterplatten sind heutzutage unverzichtbar, nicht nur, weil sie schön aussehen, sondern auch, weil die Stabilität und Zuverlässigkeit elektronischer Schaltungen stark davon abhängt, wie gut die Schaltungen aufgebaut sind. In diesem Artikel finden Sie einen Überblick über die gängigste kostenlose und nicht kostenlose PCB-Layout-Software.

Artikel herunterladen



Simulation mit SystemVision

Bei der Schaltungsentwicklung ist die Schaltungssimulation ein wertvolles Werkzeug, um Fehler frühzeitig zu erkennen. Auf dem Markt gibt es viele Spice-basierte Programme für diesen Zweck, die aber meist recht teuer sind. Es gibt auch kostenlose Versionen, aber die meisten davon sind begrenzt. Mentor Graphics hat vor kurzem SystemVision Cloud als kostenloses browserbasiertes Simulationswerkzeug auf den Markt gebracht. Werfen wir einen Blick darauf!

Artikel herunterladen



Magnetfeldsimulation mit FEMM

Spulen und Transformatoren sind induktive Bauteile, die schon immer ihre Tücken hatten. Häufig werden sie für bestimmte Anwendungen angepasst, manchmal ohne ein tiefes Verständnis ihrer tatsächlichen Funktionsweise. Wenn Sie diese Objekte zunächst simulieren, können Sie sie besser verstehen und unnötigen Aufwand in der Entwurfsphase vermeiden. 

Artikel herunterladen



Schaltungssimulation mit Micro-Cap

Ein Schaltungssimulator sollte zu den Werkzeugen eines jeden Elektronik-Enthusiasten gehören, genau wie ein Netzteil, ein Multimeter und ein Oszilloskop. Und wie bei jedem anderen SW-Instrument müssen Sie einige Zeit damit verbringen, den Umgang mit dem Programm zu lernen, um es optimal nutzen zu können. In diesem Artikel zeigen wir Ihnen, wie Sie Ihre ersten Schritte mit dem Freeware-Simulator Micro-Cap machen können.

Gratis-Download

Tools for Test, Measurement & Development

 

VIS_Webinar Inside Red Pitaya- Tools for Test, Measurement & Development_1200x627
Interested in tools for test, measurement, and development? Join Miha Gjura, Technical Support Engineer at Red Pitaya, for a hands-on webinar exploring Red Pitaya — the compact and powerful platform for signal acquisition, analysis, and real-time control. Whether you're working in education, research, or industry, this session will help you expand your test and measurement capabilities.

Key Topics
 
• Introduction to the Red Pitaya ecosystem
• In-depth demonstration of test and measurement features
• How to access and use the web-based interface
• Live Python coding for signal control and data acquisition
• Exploring the FPGA core and options for custom development
• Overview of supporting resources and documentation

Watch now!

 
  • Social Media

UNSER UNIVERSUM
elektor elektor elektor eenews