Online-Zusammenarbeit bei Musik ist aufgrund von Latenzen schwierig, und gängige Plattformen stoßen schnell an...
Beim Testen von Amateurfunksendern ist es nicht damit getan, einen Sender an einen Spektrumanalysator...
M5Stack zeigte auf der embedded world 2026, wie sich das modulare ESP32-Ökosystem des Unternehmens von kompakten Maker-Controllern...
Leser lernen, wie sie mit MIT App Inventor, Raspberry Pi, Arduino und ESP32 KI-gestützte mobile Apps und...
System Check! Elektor möchte wissen, wie Sie mit Versionskontrolle umgehen. Nutzen Sie Git für alles? Wie sichern...
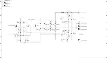
Der T-Reg Hochspannungsregler liefert saubere, stabile Versorgungsspannung für Röhrenverstärker. Mit Ausgangsspannungen von bis...
Richtig ausgewählte Komponenten erleichtern den Bau moderner, energieeffizienter Stromversorgungen. Aber...
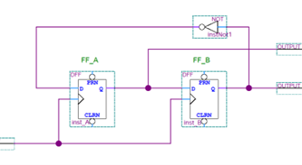
Die PID-Regelung wird schon lange in der Industrie verwendet, aber erst seit ein paar Jahren...
Beim Testen von Amateurfunksendern ist es nicht damit getan, einen Sender...
M5Stack zeigte auf der embedded world 2026, wie sich das modulare ESP32-Ökosystem...
Beim Elektor Lab Talk #47 am Donnerstag, dem 18. Juni...
DigiKey-Demos auf der embedded world 2026 zeigten eine praxisnahe...
Learning Digital Electronics steht im Mittelpunkt eines neuen Elektor-TV-Videos,...
Leser lernen, wie sie mit MIT App Inventor, Raspberry Pi, Arduino und ESP32 KI-gestützte mobile Apps...
Leser lernen, wie sie mit MIT App Inventor, Raspberry Pi, Arduino und ESP32 KI-gestützte mobile Apps...
Noch kein Account? Jetzt registrieren!
Bitte geben Sie Ihre bei der Registrierung hinterlegte E-Mail-Adresse ein, um Ihr Passwort zurückzusetzen.
Sie haben schon einen Account? Klicken Sie hier, um sich einzuloggen.
Das Elektor Magazine gehört seit 65 Jahren zu den führenden Informationsquellen für Elektronikingenieure, Entwickler, Start-ups und Unternehmen. Unser Magazin wird von einer aktiven Community aus Elektronikingenieuren – von Studenten bis zu Profis – getragen, die mit Leidenschaft innovative Ideen entwickeln und teilen.
Für diese veröffentlichen wir jedes Jahr Hunderte von Beiträgen in Formaten wie Artikeln, Videos, Webinaren und weiteren Lernformaten. Unsere Mission ist es, Wissen auf jede mögliche Weise zu teilen und die Leser mit den neuesten Entwicklungen im Bereich der Elektrotechnik zu inspirieren.
Kommentar hinzufügen
Möchten Sie einen Kommentar mit Ihrer Bewertung hinterlassen? Bitte melden Sie sich unten an. Nicht gewünscht? Dann schließen Sie einfach dieses Fenster.
Noch kein Account? Jetzt registrieren!

Kommentare