Relio v1.0 – Anwesenheitserkennung und Fernsteuerung
Ein Matter-fähiger Smart-Controller für Hausgeräte
Diesen Elektor-Artikel weiterlesen?
- Unbegrenzter Zugriff auf Member Only -Artikel
- 3 neue Ausgaben des Elektor Magazins (digital)
- Mehr als 5000 Gerber-Dateien
- 20% Mitgliederrabatt auf E-Books (auf elektor.de)
- 10% Mitgliederrabatt auf Produkte (auf elektor.de)
Stoppt automatisch.
Was ist Nur für Mitglieder
Elektor engagiert sich dafür, hochwertigen Inhalt rund um Elektronik bereitzustellen und betreut dabei zehntausende zahlende Mitglieder. Als Teil dieses Engagements hat Elektor das Premium-Angebot ins Leben gerufen, das exklusiven Zugriff auf ausgewählte Artikel bietet – manchmal sogar bevor diese in der Zeitschrift erscheinen.
Täglich können Mitglieder fundierte Artikel entdecken, die das Beste aus Elektors Premium-Content präsentieren und speziell darauf abzielen, ihr Wissen und ihre Begeisterung für Elektronik zu vertiefen.
Mit dem Premium-Programm will Elektor seiner Community aus Enthusiasten frühzeitigen Zugang zu aktuellen Projekten und Erkenntnissen ermöglichen. Nach dem Einloggen genießen Mitglieder diesen exklusiven Inhalt und können sich über spannende Projekte und Innovationen austauschen. Während Premium unser bestehendes Angebot erweitert, wird Elektor weiterhin eine Fülle an kostenlosen Informationen für die breite Community bereitstellen.
Werden Sie Teil der Elektor-Community und nutzen Sie Premium sowie weitere Mitgliedervorteile!
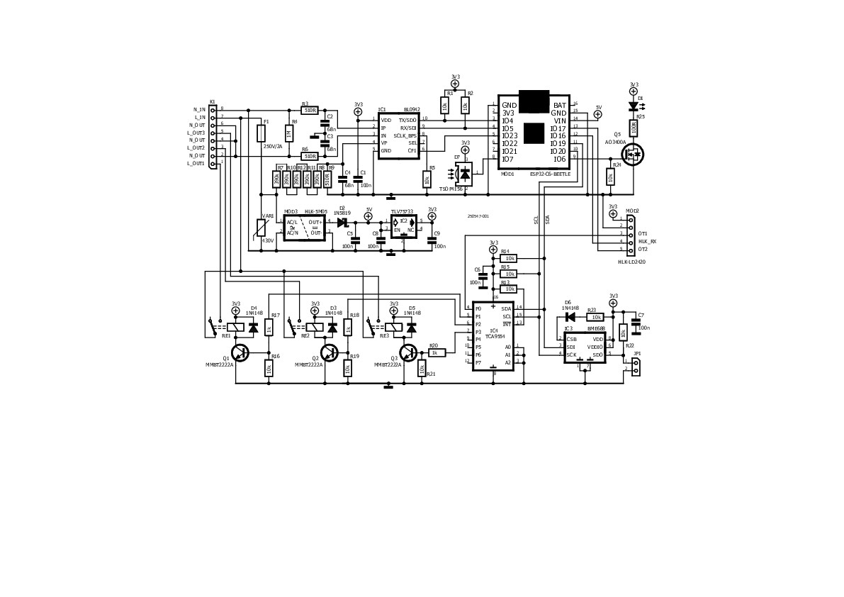
Material
Stückliste
Bauteilliste
Widerstände
R1, R2, R5, R13...R16, R19, R21...R24 = 10 kΩ
R3, R6, R9 = 510 Ω
R4 = 1 MΩ
R7, R8, R10...R12 = 390 kΩ
R17, R18, R20 = 1 kΩ
R25 = 100 Ω
Kondensatoren
C1, C5 = 100 nF
C2, C3, C4 = 68 nF
C6, C7, C8, C9 = 0.1 µF
Halbleiter
D1 = TSAL4400
D2 = 1N5819HW-7-F
D3, D4, D5, D6 = 1N4148W
D7 = TSOP41xx
Q1, Q2, Q3 = MMBT2222A
Q5 = AO3400A
IC1 = BL0942
IC2 = TLV75733PDBVR
IC3 = BME688
IC4 = TCA9554DBQ
Module und Steckverbinder
K1 = TB001-500-08BE
MOD1 = Beetle ESP32-C6
MOD2 = HLK-LD2420
MOD3 = HLK-5M05
Relais
RE1, RE2, RE3 = G5LE-14 DC3
Sonstige Bauteile
F1 = 3403.0169.24
RV1 = TND10V-431KB00AAA0

Diskussion (0 Kommentare)