Jedes Labornetzteil braucht Spannungs- und Stromanzeigen. Dieses Mikrocontroller-basierte Messgerät zeigt zusätzlich Spitzenstrom, Leistung, Amperestunden und Kilowattstunden.
Jedes Labor-Netzteil benötigt Spannungs- und Stromanzeigen. Aber was wäre, wenn Ihr Display noch viel mehr könnte? Dieses kompakte, auf einem Mikrocontroller basierende Instrumentenmodul zeigt nicht nur Spannung und Strom digital und mit einem Balkendiagramm an, sondern verfolgt auch den Spitzenstrom, die Ausgangs-Leistung, die Ladung in Amperestunden und sogar die Energie in Kilowattstunden. Mit programmierbaren Timern, Temperaturüberwachung und Firmware-Updates für zukünftige Funktionen verwandelt dieses DC-Leistungsmessgerät ein einfaches Netzteil in ein intelligentes, vielseitiges Werkzeug.
VIELSEITIGES DC-LEISTUNGSMESSGERÄT
Oliver Micic stellte dieses Design für ein DC-Leistungsmessgerät in der Januar-Ausgabe 2008 von Elektor vor. Die Schaltung verwendete einen ATmega28-16PC. Da in der Schaltung keine SMDs verwendet wurden, war die Montage auf der kleinen Leiterplatte recht einfach.
Das Instrumentenmodul verwendete ein DIP-LCD mit Stiftleisten an beiden Enden, das in eine Instrumenten-Leiterplatte mit Buchsenleisten eingesteckt wurde. Da das Ziel war, SMD-Bauteile zu vermeiden, wurde die Schaltung so einfach wie möglich gehalten, sodass die gesamte Elektronik unter dem LCD Platz fand.
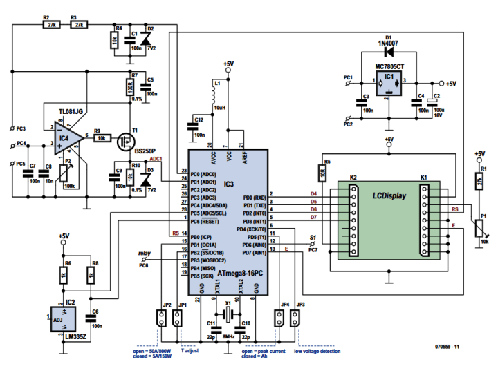
Ein Mikrocontroller mit etwas Signalaufbereitungsschaltung.
„Wenn Sie das Modul das erste Mal einschalten, werden Sie aufgefordert, die Spannung zu kalibrieren, falls die Genauigkeit der Widerstände R2–R4 (1%-Typen) nicht ausreicht“, erklärte Micic.
„Dazu verbinden Sie ein Multimeter mit dem Ausgang und einen Drucktaster mit JP1 und drücken diesen Taster dann wiederholt, bis der Wert auf dem LCD mit dem Wert des Multimeters übereinstimmt. Dies sollte bei 13,8 V ohne Last erfolgen. Nachdem Sie die Spannung eingestellt haben, wird die Kalibrierung nach 10 Sekunden übernommen und im EEPROM gespeichert. Wenn Sie diesen Vorgang wiederholen möchten, halten Sie den Drucktaster beim Einschalten gedrückt, bis die entsprechende Meldung auf dem LCD angezeigt wird. Anschließend müssen Sie P2 für die Strommessung einstellen (Symmetrieabgleich des Operationsverstärkers IC4). Dazu schließen Sie eine Last an das Netzteil (oder die Batterie) an, messen den Strom mit einem Multimeter und stellen P2 so ein, dass der gleiche Wert auf dem LCD angezeigt wird.“
Bauteilseite der Prototyp-Leiterplatte.
TECHNISCHE DATEN
Beachten Sie die wichtigsten technischen Daten des Projekts DC-Leistungsmessgerät:
Spannungsbereich: 0–30 V
Maximalstrom: 5 A oder 50 A
Spitzenstrom (Ip)
Leistungsbereich: 1–999 W
Leistungsmessbereich (abhängig von JP1): 150 W / 800 W
Elektrische Energie in kWh
Batterieladung in Ah
Betriebszeit in Stunden oder Minuten (in Tagen nach 1 Woche)
Balkendiagramm-Anzeige für Leistung
Ausgewählte Anzeigeoption im EEPROM gespeichert
Jumper-wählbare Ah/Ip-Anzeige; Auswahl auch während des Betriebs möglich
LCD-Hintergrundbeleuchtung
Optionaler Temperatursensor mit Softwarekalibrierung
Sandwich-Modul (LCD und Leiterplatte)
Firmware-Versionen verfügbar für 2 × 16 und 4 × 20 LCD-Module
Anzeige des DC-Leistungsmessgeräts
DAS ORIGINALPROJEKT
Der ursprüngliche Artikel „Vielseitiges DC-Leistungsmessgerät“ erschien in Elektor im Januar 2008. Sie können den Artikel aufrufen, kostenlos während des zweiwöchigen Zeitraums nach der Veröffentlichung dieses Beitrags. Wenn Sie eine ähnliche Schaltung entwickeln, teilen Sie bitte Ihre Fortschritte auf der Elektor-Labs-Plattform!
Hinweis der Redaktion: Dieser Artikel erschien erstmals in einer Ausgabe von Elektor im Jahr 2008. Angesichts des Alters des Projekts sind einige Bauteile oder Produkte möglicherweise nicht mehr verfügbar, und die zentralen Entwurfsprinzipien könnten veraltet wirken. Wir glauben jedoch, dass das Design Sie dazu inspirieren wird, in Zukunft neue DIY-Elektronikprojekte zu starten.
Abonnieren
Tag-Benachrichtigung: Abonnieren Sie das Tag Strom & Energie und erhalten Sie eine E-Mail, sobald ein neuer Beitrag dazu auf unserer Website erscheint.
Diskussion (0 Kommentare)