Entdecken Sie, wie ein Raspberry Pi, ein DDS-Modul und ein ADC zu einem leistungsfähigen HF-Sweep-Generator für eigene RF-Tests zusammenfinden. Mit diesem kompakten Aufbau erzeugen Sie präzise Frequenz-Sweeps und visualisieren die Reaktionen Ihrer Schaltung mühelos.
Entdecken Sie, wie ein Raspberry Pi, ein DDS-Modul und ein ADC-Modul zusammen ein leistungsfähiges DIY-Sweep-Generator-System für HF-Tests bilden. Dieses kompakte Setup ermöglicht es Ihnen, Frequenz-Sweeps zu erzeugen und die Antwort von Schaltungen ganz einfach zu visualisieren.
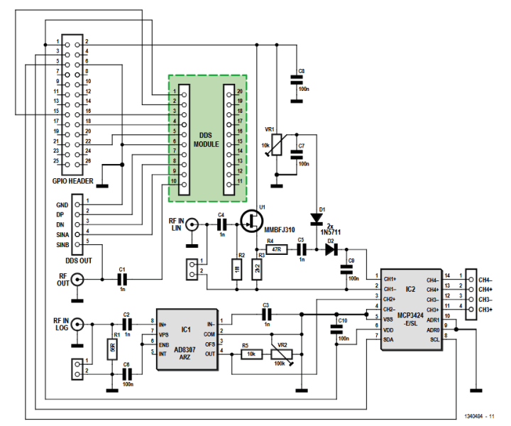
Die Schaltung
Ein Sweep-Generator (oder „Wobbulator“) ist ein Testgerät, das mit einem Oszilloskop verwendet wird, um die Frequenzgang-Eigenschaften einer HF-Schaltung zu messen. Er funktioniert, indem er einen spannungsgesteuerten Oszillator (VCO) mit einer Rampen- oder Sägezahnwellenform speist, sodass die Ausgangsfrequenz über einen voreingestellten Bereich geschwenkt wird. Die daraus resultierende Antwort der zu testenden Schaltung (typischerweise ein Filter oder Verstärker) erscheint auf dem Oszilloskop. Sweep-Generatoren werden häufig zur Abstimmung der Zwischenfrequenzstufen (ZF) von Überlagerungsempfängern verwendet, sind aber auch nützlich zur Bewertung des Frequenzgangs von HF-Filtern und anderer Schaltungen.
Der vom Raspberry Pi gesteuerte HF-Sweep-Generator. Das DDS-Modul ist ein handelsübliches Modul.
„Während in grauer Vorzeit ein Wobbulator ein komplexes, teures vollelektronisches Instrument (sogar mit Röhren) war, haben wir heute kleine Computer wie den RPi, die die Aufgabe mit einfacherer Hardware bei der Steuerung und mit dem Luxus der Software, die sich für beste Ergebnisse anpassen lässt, erledigen“, merkte der Entwickler Tom Herbison an.
Das Projekt verfügt über einen Raspberry Pi, ein DDS-Modul und ein ADC-Modul.
Dieses Projekt bildet die Funktionen eines traditionellen Sweep-Generators nach, indem ein Raspberry Pi mit einem Direct-Digital-Synthesizer (DDS)-Modul und einem Analog-Digital-Wandler (ADC)-Modul kombiniert wird. Die GPIO-Schnittstelle des Raspberry Pi wird so programmiert, dass sie das DDS-Modul zur Erzeugung des Frequenz-Sweeps steuert und mit dem ADC-Modul kommuniziert, um die Antwort der Schaltung zu erfassen. Eine grafische Benutzeroberfläche (GUI) ermöglicht es dem Benutzer, die Sweep-Parameter festzulegen und die Messungen anzuzeigen.
Das DDS-Modul basiert auf dem Frequenzsynthesizer-Chip AD9850.
„Wie das MCP3424 wird auch das DDS-Modul vom RPi gesteuert, der alle Steuerwörter für das Sweep-Ausgangssignal am HF-OUT-Anschluss erzeugt“, merkte Herbison an. „Dieses Signal wird der zu prüfenden Schaltung zugeführt, während der Ausgang der Prüfschaltung, je nach Anwendung, zum LOG- oder LIN-Eingang geleitet wird.“
Das DIY-HF-Sweep-Generator-Projekt
Der Originalartikel „A Raspberry Pi Wobbulator“ erschien in Elektor Juli/August 2015. Sie können den Artikel in den zwei Wochen nach Veröffentlichung dieses Beitrags kostenlos lesen. Viel Spaß!
Redaktioneller Hinweis: Dieser Artikel erschien erstmals in einer Ausgabe 2015 von Elektor. Angesichts des Alters des Projekts sind einige Bauteile möglicherweise nicht mehr ohne Weiteres verfügbar. Dennoch sind wir überzeugt, dass das Design Sie dazu inspirieren wird, bald ein eigenes Projekt zu starten.
Möchten Sie einen Kommentar mit Ihrer Bewertung hinterlassen? Bitte melden Sie sich unten an. Nicht gewünscht? Dann schließen Sie einfach dieses Fenster.
Diskussion (0 Kommentare)