Schaltung: Prüfer für Netzadapter
über
Das Projekt
Vor einiger Zeit stand Charles Hansen vor einer Kiste voller mysteriöser Netzteile – die Art, die sich mit der Zeit auf Flohmärkten und in alten Geräteschubladen ansammelt. Manche waren eindeutig beschriftet, andere hatten abgenutzte oder fehlende Aufkleber, und alle stellten die gleiche Frage: Was geben diese Dinger eigentlich aus? Um Ordnung ins Chaos zu bringen, baute Chuck eine kompakte Prüfvorrichtung, die gängige 2,5-mm- und 2,1-mm-Hohlstecker sowie 3,5-mm-Klinkenstecker aufnimmt. Damit lassen sich Spannung, Polarität und mehr auf einen Blick erkennen. Schließen Sie zum Beispiel ein 14-V-Gleichspannungsnetzteil an, zeigen die roten und grünen LEDs des Testers sofort an, ob es sich um Gleichspannung handelt und wie die Polarität verläuft. Es ist eine einfache, elegante Lösung für das klassische „Netzteil-Rätsel“.
Die Schaltung
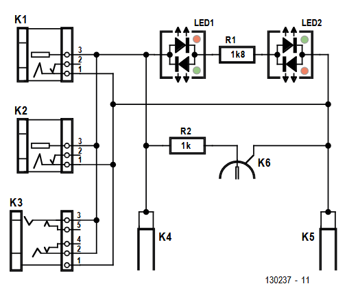
„Das Netzteil wird in die passende Buchse K1, K2 oder K3 eingesteckt“, erläutert Hansen. „Die Mittelpins von K1/K2 und die Spitze von K3 sind mit der Anode der roten LED und der Kathode der grünen LED verbunden, die beide in der zweifarbigen LED LED1 enthalten sind. Ebenso sind die äußeren Hüllen von K1 und K2 sowie der Ring von K3 mit der zweiten zweifarbigen LED, LED2, verbunden. LED1 und LED2 sind über R1 miteinander verbunden, der die LED-Ströme begrenzt. Wird Wechselspannung angelegt, leuchten beide LEDs hell orange/gelblich.“
Der Tester verfügt über Bananenbuchsen zum Anschluss einer Last, sodass Sie prüfen können, wie sich ein Netzteil unter Last verhält – typischerweise etwa 95 % der Leerlaufspannung, wobei die Ergebnisse variieren können. Ein BNC-Anschluss ermöglicht das sichere Messen der Ausgangsspannung, wobei ein eingebauter Reihenwiderstand Ihr Messgerät schützt, falls Sie einmal den falschen Messbereich wählen. Vorsichtige Anwender brauchen diese Schutzmaßnahme vielleicht nicht, dennoch empfiehlt es sich, immer mit dem höchsten Spannungsbereich zu beginnen und schrittweise herunterzuschalten. Wenn Sie die Bananenbuchsen extern montieren, achten Sie auf einen Abstand von 0,25 Zoll, damit Standard-Doppelbananen-Testleitungen passen.
Das Netzadapter-Tester-Projekt
Der Originalartikel „AC-AC & AC-DC Power Adapter Tester“ erschien in Elektor im März 2014. Sie können den Artikel während der zwei Wochen nach Veröffentlichung dieses Beitrags kostenlos lesen. Viel Spaß!Redaktioneller Hinweis: Dieser Artikel erschien erstmals 2014 in Elektor. Aufgrund des Alters des Projekts sind einige Bauteile möglicherweise nicht mehr leicht verfügbar. Wir sind jedoch sicher, dass das Design Sie dazu inspiriert, Ihr eigenes Projekt zu starten.

Diskussion (0 Kommentare)