Der Scrutiny Debugger ist ein Open-Source-Werkzeug zum Debuggen, Visualisieren und Testen von Embedded-C/C++-Anwendungen....
Wie schlägt sich der neue HackRF Pro im Praxistest? Wir vergleichen ihn mit seinem Vorgänger HackRF One, analysieren...
Balkon-Solar-Speicherbatterien sind leicht zu kaufen und überraschend leicht falsch auszulegen, daher...
Von Caesar-Chiffren bis AES und RSA auf echten Boards zeigt Praktische Mikrocontroller-Kryptografie,...
Moderne Fahrzeuge verlassen sich auf eine Vielzahl von Sensoren und Aktoren, um Betriebsbedingungen...
Smarte Geräte reagieren auf Aktivierungswörter wie "Alexa", "Hey, Siri" oder "OK, Google" mithilfe eines maschinellen Lernverfahrens,...
Bereit zum Löten? Diese Audio-Serie bietet leicht nachzubauende DIY-Schaltungen, einsteigerfreundliche Bauelemente,...
In modernen Energiesystemen gibt es keinen Raum für Kompromisse. Spannungstabilität, niedriger Impedanzwert und...
Die PID-Regelung wird schon lange in der Industrie verwendet, aber erst seit ein paar Jahren...
Balkon-Solar-Speicherbatterien sind leicht zu kaufen und überraschend...
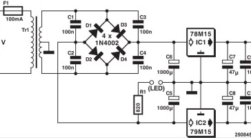
Eine Stromversorgung für Audio und Sensoren ist einfach zum „Laufen“ zu bringen...
OpenMV Embedded Vision ist das Thema von EEI #57, die Show ist jetzt...
Das Thema Balkon-Solarspeicher wird komplex, sobald der Vergleich unterschiedlicher...
Präzisions-Picoamperemeter-Webinar: Gastgeber Brian Tristam Williams begrüßt den...
Für die ganztägige Online-Konferenz zu RISC-V am 15. April 2026 kann man sich ab sofort zum...
Das Buch Build Your Own Coffee Roaster zeigt, wie sich mit einem Raspberry Pi, Standardkomponenten...
Raspberry Pi KI-Gateway gewinnt CES 2026 Best of Innovation Noch kein Account? Jetzt registrieren!
Bitte geben Sie Ihre bei der Registrierung hinterlegte E-Mail-Adresse ein, um Ihr Passwort zurückzusetzen.
Sie haben schon einen Account? Klicken Sie hier, um sich einzuloggen.
Kommentar hinzufügen
Möchten Sie einen Kommentar mit Ihrer Bewertung hinterlassen? Bitte melden Sie sich unten an. Nicht gewünscht? Dann schließen Sie einfach dieses Fenster.
Noch kein Account? Jetzt registrieren!

Kommentare