Schaltung: DIY-Milliohm-Meter
4. November 2025
über
über
Die meisten Multimeter haben Schwierigkeiten, sehr niedrige Widerstände genau zu messen, aber dieses Präzisionsinstrument schließt diese Lücke. Es wurde entwickelt, um von 100 μΩ bis 200 Ω in vier Bereichen mit einer Genauigkeit von 2 % zu messen. Durch eine clevere Stromregelung und isolierte Stromversorgungsschaltung werden zuverlässige Ergebnisse erzielt.
Der P1-Bereich ist der empfindlichste und deckt 0,1 bis 200 mΩ ab; er liefert einen Teststrom von 1 A an das zu prüfende Bauteil (DUT). Halten Sie die Messungen in diesem Bereich kurz, um die Batterielebensdauer zu schonen, und stellen Sie immer sicher, dass das DUT mindestens 1 A verträgt.
„Kalibrieren Sie zunächst die Trimmer, um die in der Tabelle angegebenen Stromwerte zu erhalten. Messen Sie dazu den Gleichstrom mit einem Multimeter, das direkt an die Ausgangsklemmen angeschlossen ist“, merkt der Entwickler Stefano Purchiaroni an. „Um den zusätzlichen Widerstand der Messleitungen zu minimieren, löten Sie die Messleitungen direkt an die Krokodilklemmen, damit der Widerstand der Stromversorgungskabel nicht zum zu messenden Bauteil addiert wird. Beachten Sie, dass auf dem LCD immer die Summe aus dem Widerstand des DUT und dem der Messleitungen angezeigt wird. Letzterer muss von den gemessenen Werten insbesondere im P1-Bereich abgezogen werden.“
Die begleitenden Abbildungen zeigen einen möglichen Veroboard-Aufbau (gelbe Bereiche kennzeichnen unterbrochene Leiterbahnen) sowie mehrere Fotos des Prototyps.
Milliohm-Meter-Schaltung
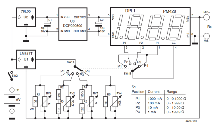
Dieses praktische Milliohm-Meter wird mit vier AAA-Lithiumbatterien betrieben, die aufgrund ihres geringen Innenwiderstands ausgewählt wurden. Der obere Teil der Schaltung versorgt ein standardmäßiges 3,5-stelliges LCD-Panelmeter (DPL1) mit einem Eingangsbereich von 199,9 mV im Vollausschlag. Da dieses Modul eine isolierte 9-V-Versorgung benötigt, stabilisiert ein linearer Spannungsregler (U2) das Batteriepaket auf 5 V, die dann von einem isolierten DC-DC-Wandler (U3, Typ DCP020509 von Texas Instruments) auf 9 V erhöht werden. Die Eingangsspannung des Wandlers darf 5,5 V nicht überschreiten, weshalb ein 78L05-Regler eingebaut ist.
Der untere Teil der Schaltung erzeugt einen Konstantstrom mithilfe eines als Stromquelle konfigurierten LM317. Der Strom ist über ein Widerstandsnetzwerk einstellbar, das von einem vierstufigen, zweistöckigen Drehschalter (SW1) gesteuert wird. Für R1 ist ein 2-W-Widerstand erforderlich. Die zweite Ebene von SW1 ändert den Dezimalpunkt der Anzeige je nach gewähltem Messbereich.
Der P1-Bereich ist der empfindlichste und deckt 0,1 bis 200 mΩ ab; er liefert einen Teststrom von 1 A an das zu prüfende Bauteil (DUT). Halten Sie die Messungen in diesem Bereich kurz, um die Batterielebensdauer zu schonen, und stellen Sie immer sicher, dass das DUT mindestens 1 A verträgt.

„Kalibrieren Sie zunächst die Trimmer, um die in der Tabelle angegebenen Stromwerte zu erhalten. Messen Sie dazu den Gleichstrom mit einem Multimeter, das direkt an die Ausgangsklemmen angeschlossen ist“, merkt der Entwickler Stefano Purchiaroni an. „Um den zusätzlichen Widerstand der Messleitungen zu minimieren, löten Sie die Messleitungen direkt an die Krokodilklemmen, damit der Widerstand der Stromversorgungskabel nicht zum zu messenden Bauteil addiert wird. Beachten Sie, dass auf dem LCD immer die Summe aus dem Widerstand des DUT und dem der Messleitungen angezeigt wird. Letzterer muss von den gemessenen Werten insbesondere im P1-Bereich abgezogen werden.“
Die begleitenden Abbildungen zeigen einen möglichen Veroboard-Aufbau (gelbe Bereiche kennzeichnen unterbrochene Leiterbahnen) sowie mehrere Fotos des Prototyps.

Das Originalprojekt
Der Originalartikel „Milliohm Meter“ erschien in Elektor Summer Circuits 2022. Sie können den Artikel kostenlos während der zweiwöchigen Frist nach Veröffentlichung dieses Beitrags lesen. Wenn Sie mit dem Design beginnen, teilen Sie Ihren Fortschritt gerne auf der Elektor Labs Plattform!Hinweis der Redaktion: Dieser Artikel erschien erstmals in einer Ausgabe von Elektor im Jahr 2022. Aufgrund des Alters des Projekts sind einige Bauteile möglicherweise nicht mehr verfügbar. Wir sind jedoch überzeugt, dass Sie das Projekt zu eigenen kreativen Ideen inspiriert!
Abonnieren
Tag-Benachrichtigung: Abonnieren Sie das Tag Circuits & Circuit Design, und Sie erhalten eine E-Mail, sobald ein neuer Beitrag dazu auf unserer Website veröffentlicht wird! Mehr anzeigen
Weniger anzeigen

Diskussion (8 Kommentare)