Heutzutage sind mit dem Smartphone verbundene Türkameras und Gegensprechanlagen allgegenwärtig. 2016 war das jedoch noch nicht der Fall. Hier stellen wir eine intelligente DIY-Türklingel für Ingenieure und Elektronikbegeisterte vor.
Mit einem Raspberry Pi, einer Raspberry-Pi-Kamera und einer RPi-GSM-HAT-Platine hat das Elektor-Lab-Team eine intelligente Türklingel gebaut, die im Moment des Tastendrucks ein Bild des Besuchers aufnimmt. Das Bild wird sofort per MMS an ein Smartphone gesendet, sodass Sie in Echtzeit sehen können, wer vor Ihrer Tür steht.
Das System ermöglicht es Ihnen auch, Ihre Türklingel anzurufen. Das GSM-Modul nimmt automatisch ab. Nach einem Klingelton können Sie über das eingebaute Mikrofon und den Lautsprecher mit einem Besucher sprechen. Außerdem können Sie eine SMS mit einem Passwort senden, um einen elektrischen Türöffner auszulösen. Für zusätzliche Sicherheit prüft das System die Mobilnummer des Absenders, um sicherzustellen, dass der Befehl tatsächlich von Ihrem Smartphone stammt.
Die Schaltung
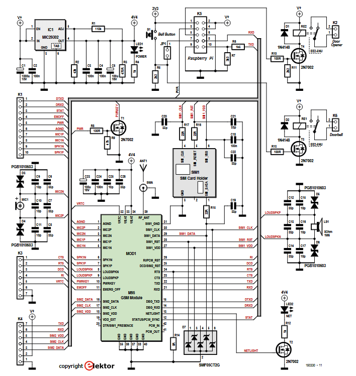
Siehe die nebenstehende Abbildung. Im Mittelpunkt der Schaltung steht ein M95-GSM-Modul MOD1 mit Antenne und SIM-Kartenhalter SIM1. Die Widerstände (R15-R17), die Diodenreihe (D7) und die Kondensatoren (C19-C22) dienen der Rauschunterdrückung und dem ESD-Schutz für die SIM-Kartenschnittstelle.
Die Hauptkomponenten in dieser Schaltung sind das M95-GSM-Modul und der SIM-Kartenhalter.
"Das Gleiche gilt für die Kondensatoren C6 bis C17 und D3 bis D6 für den Mikrofoneingang bzw. den Audioverstärkerausgang des M95", erklärte Elektor-Ingenieur Luc Lemmens. "Das M95 ist über seine USART mit dem Raspberry Pi (K5) verbunden, alle Kommunikation erfolgt mit AT-Befehlen. Der Spannungsteiler R6/R7 passt das TxD-Signal an den für den Raspberry Pi spezifizierten digitalen Eingangspegel von 3,3 V an."
Die Platine wird mit Abstandshaltern montiert.
Türklingel-Steuerung
Um die Türklingel zu steuern, müssen Sie die Python-Bibliotheken installieren, um das Python-Skript auszuführen. Dieses finden Sie auf der Download-Seite des Artikels als MMSautoSend.py. Am Anfang des Skripts befindet sich ein Block mit Konstanten-Definitionen:
ThisNumber: Die Mobilnummer der SIM-Karte für das M95
ThatNumber: Die Nummer des Smartphones, an das die MMS-Nachricht gesendet werden soll
Einstellungen für die Nutzung des MMS-Dienstes des SIM-Kartenanbieters für das GSM-Modul, insbesondere: APN: Access Point Name
MMSC: Multimedia Messaging Service Center
MMSproxy: Multimedia Messaging Service Proxy-Server
MMSport: Multimedia Messaging Service Portnummer
Installation und Einrichtung
Luc Lemmens empfahl, dass es am besten ist, nur den Klingeltaster, die Kamera, das Mikrofon und den Lautsprecher außen zu montieren und den Rest der Elektronik im Innenraum zu belassen.
"Im Skript gibt es einige Parameter, um die Kamera zu konfigurieren. Insbesondere Ausrichtung und Helligkeit müssen je nach Umgebung, in der die Kamera installiert wird, eventuell angepasst werden", merkte er an. "Die Auflösung beeinflusst nur die Qualität des Fotos. Halten Sie diese so niedrig wie möglich, sodass die Größe des JPEG, das gesendet werden soll – und damit die Übertragungsdauer – in vertretbarem Rahmen bleibt. Während Sie mit diesen Einstellungen experimentieren, sollten Sie am besten das Senden von MMS-Nachrichten im Skript deaktivieren und nur die Bilddatei (test1.jpg), die auf dem RPi gespeichert wird, betrachten, um die Qualität zu beurteilen."
Intelligente Türklingel: Kommunizieren Sie mit einem Besucher über Ihr Smartphone.
Das Smart-Türklingel-Projekt
Der Originalartikel, "Foto-Türspion mit Raspberry Pi", erschien in Elektor Juli 2016. Sie können den Artikel kostenlos in den zwei Wochen nach Veröffentlichung dieses Beitrags lesen. Wenn Sie mit einem eigenen Design beginnen, teilen Sie bitte Ihren Fortschritt auf der Elektor-Labs-Plattform!
Hinweis der Redaktion: Dieser Artikel erschien erstmals in einer Ausgabe von Elektor aus dem Jahr 2016. Aufgrund des Alters des Projekts sind einige Komponenten möglicherweise nicht mehr erhältlich. Wir sind jedoch überzeugt, dass Ihnen die Schaltung ein Lächeln aufs Gesicht zaubern und Sie dazu inspirieren wird, bald ein kreatives Projekt zu starten.
Möchten Sie einen Kommentar mit Ihrer Bewertung hinterlassen? Bitte melden Sie sich unten an. Nicht gewünscht? Dann schließen Sie einfach dieses Fenster.
Diskussion (0 Kommentare)