Elektor Team (12060)

5 € (für Mitglieder: kostenlos)

| Vielleicht waren Sie darauf eingestimmt, an dieser Stelle eine neue philosophische Betrachtung unseres spanischen Kollegen Jaime González-Ar...

5 € (für Mitglieder: kostenlos)

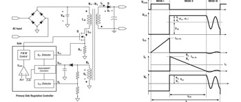
| Hilfe! Diesen seltsamen Abwärtswandler bekommen wir im Labor einfach nicht unter Kontrolle. Was machen wir falsch? Wir wissen es nicht. Sie...

5 € (für Mitglieder: kostenlos)

| Crowdfunding liegt im Trend der Zeit. Gehören Sie zur Gemeinde der innovativen Entwickler, haben Sie zukunftsträchtige Ideen, doch für die U...

5 € (für Mitglieder: kostenlos)

| Quadrocopter und ihre Ableger sind ein aktuelles Thema, das gegenwärtig nicht nur die junge Generation beschäftigt. Sogar gestandene Fachleu...

| Das Projekt Lumina ist ein Abkömmling von Loochi, einer Bluetooth-gesteuerten RGB-LED-Lampe, deren Crowdfunding-Versuch gescheitert war. Ein...

| Dieses 36-seitige Sonderheft zu Leiterplatten (Wert: 4,95 €), das speziell für die vom 10.11. bis 13.11.2015 in München stattfindende produc...

| Hier geht es darum, den RPi in ein Tablet oder ein Infotainment-System zu verwandeln. Das 800 × 480 Pixel auflösende Display mit den Abmessu...

5 € (für Mitglieder: kostenlos)

| In dieser Folge werden die Module für Bluetooth, WiFi, USB und USB-Host näher betrachtet. Es wird erklärt, wie sich das Android I/O-Board an...

5 € (für Mitglieder: kostenlos)

| Der lateinische Ausdruck tabula rasa bezeichnet das philosophische Konzept, dass unser Geist bei der Geburt völlig leer ist. Unser Gehirn mu...

5 € (für Mitglieder: kostenlos)

| Der Sommer ging weiter ... und im Elektor-Labor ist es noch immer heiß! Dies zeigt die Übersicht neuer Do-it-yourself-Projekte im von Usern...

  • Social Media

UNSER UNIVERSUM
elektor elektor elektor eenews