Elektor Team (9503)

Nur für Mitglieder

| Los transformadores de corriente profesionales a menudo usan núcleos toroidales y se bobinan con una alta precisión. El propósito de este ar...

Nur für Mitglieder

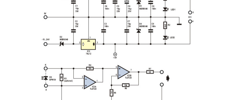
| El medidor de radiación de la edición de noviembre de Elektor de 2011 está siendo utilizado por muchos lectores. Este dispositivo ha demostr...

Nur für Mitglieder

| Diseñando nuestra tarjeta de relés RS485 [1], incluimos una toma adicional para una conexión de masa del driver RS485 (SIG_GND = Signal Grou...

Nur für Mitglieder

| Quizás nos sea familiar el siguiente problema: durante la comunicación entre nuestro ordenador personal y un microcontrolador AVR, en nuestr...

Nur für Mitglieder

| Como siempre, las pruebas y las medidas son la parte de las actividades diarias del laboratorio y, muy raramente, los problemas que aparecen...

Nur für Mitglieder

| Como ingenieros electrónicos, probablemente hayáis tenido tratar a menudo tanto con componentes electrónicos como con componentes eléctricos...

Nur für Mitglieder

| Reducir el consumo de carbón de cada individuo ha sido un objetivo prioritario en la Agenda Global durante los dos últimos años. Hay muchos...

Nur für Mitglieder

| En esta serie mostramos por qué los microcontroladores AVR son también aptos para el procesamiento digital de señales. En esta última entreg...

Nur für Mitglieder

| El principio de uno de estos (posibles) amplificadores lineales, es que con una pequeña corriente en la base modulamos otra de baja frecuenc...

Nur für Mitglieder

| Fabricado por Marconi Instruments, con base en el Reino Unido, el modelo TF801D/1 es un generador de RF que cubre frecuencias desde 10MHz a...

  • Social Media

UNSER UNIVERSUM
elektor elektor elektor eenews